Zhejiang Sehnaider Electric Co., Ltd.
Zhejiang Sehnaider Electric Co., Ltd.
Produkty
BH-0,66-20 Prądowe transformatory
  • BH-0,66-20 Prądowe transformatoryBH-0,66-20 Prądowe transformatory

BH-0,66-20 Prądowe transformatory

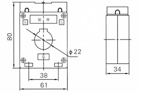
BH-0,66-20 Transformatory prądowe to wysokiej jakości transformatory prądowe zaprojektowane do dokładnego pomiaru i monitorowania prądów elektrycznych w różnych zastosowaniach przemysłowych. Z prądem znamionowym 0,66a i częstotliwością 50/60 Hz, transformatory te zapewniają niezawodną wydajność i precyzyjne odczyty.

Prądowe transformatory BH-0.666-20 mają kompaktową i solidną konstrukcję, dzięki czemu nadają się do instalacji w ciasnych przestrzeniach i trudnych środowiskach. Są one wyposażone w wysokiej jakości materiały i komponenty, aby zapewnić długoterminową stabilność i trwałość.


Te obecne transformatory są łatwe w instalacji i utrzymywaniu, dzięki czemu są idealne do szerokiej gamy zastosowań, w tym dystrybucji energii, zarządzania energią i automatyzacji przemysłowej. Przestrzegają międzynarodowych standardów bezpieczeństwa i wydajności, zapewniając użytkownikom spokój ducha i zaufanie do ich działalności.


Ogólnie rzecz biorąc, prądowe transformatory BH-0,66-20 są idealnym wyborem do dokładnego pomiaru prądu i monitorowania w ustawieniach przemysłowych, oferując niezawodność, precyzję i trwałość dla różnych systemów elektrycznych.


Główne parametry techniczne

Znamionowe podstawowe
bieżący (a)
Dokładność
zajęcia
połączenie
Znamionowe wyjście wtórne (VA) Jest prąd termiczny (KA) Znamionowy prąd dynamiczny (KA)
0,2 (s) 0.2 0.5 10p10
5-40 0,2/10p10
0,5/10p10
/ 10 10 15 90lin 220lin
5-40 100lin 250lin
5-40 20 50
5-40
5-40 36 90
10
5-40 45 100
5-40 56 100
5-40
5-40 80 110
5-40 100 110



Gorące Tagi: BH-0,66-20 Prądowe transformatory
Wyślij zapytanie
Informacje kontaktowe
Jeśli masz jakieś zapytanie na temat cytatu lub współpracy, prosimy o e -mail na adres river@dahuelec.com lub skorzystaj z następującego formularza zapytania. Nasz przedstawiciel handlowy skontaktuje się z Tobą w ciągu 24 godzin. Dziękujemy za zainteresowanie naszymi produktami.
X
Używamy plików cookie, aby zapewnić lepszą jakość przeglądania, analizować ruch w witrynie i personalizować zawartość. Korzystając z tej witryny, wyrażasz zgodę na używanie przez nas plików cookie. Polityka prywatności
Odrzucić Przyjąć