Zhejiang Sehnaider Electric Co., Ltd.
Zhejiang Sehnaider Electric Co., Ltd.
Produkty
BH-0,66-50 Prądowe transformatory
  • BH-0,66-50 Prądowe transformatoryBH-0,66-50 Prądowe transformatory

BH-0,66-50 Prądowe transformatory

Prądowe transformatory BH-0.66-50 są precyzyjnymi instrumentami zaprojektowanymi do dokładnego pomiaru i monitorowania prądów elektrycznych w różnych zastosowaniach przemysłowych. Z prądem znamionowym 50A i współczynnikiem transformacji 0,66, transformatory te zapewniają wiarygodne i precyzyjne możliwości pomiaru prądu.

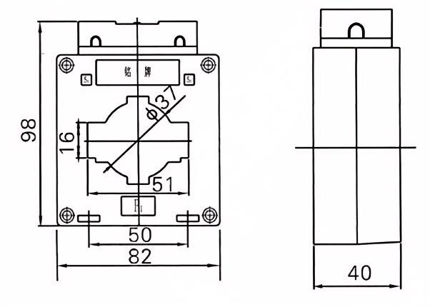
Halowy transformator prądu żywicy epoksydowej lub transformator prądu obudowy plastikowej

• Jednofaza, dwupoziomowa lub trzy faza.

• Napięcie znamionowe: 0,66 kV

• Klasa pomiarowa dla CT: 0,2S, 0,2,0,5, 0,5S

• Standard: IEC61869-2

• Nazwa typu: BH-0.66-50

Ten transformator prądowy typu suchego wewnętrznego jest stosowany w 0,66 kV, 0,75 kV. System zasilania, do pomiaru i ochrony.

Został użyty w rozdzielniach kabinowych lub w stacjach przełączników zainstalowanych w zatoce.

Prądowe transformatory BH-0,66-50 są wykonane z wysokiej temperatury wewnętrznej żywicy epoksydowej, amorficznego rdzenia stopu do pomiaru i wysokiej jakości rdzenia wewnętrznego dla ochrony, pierwotnego i wtórnego użycia czystej miedzi elektrolitycznej.


Zastosowania:

Systemy dystrybucji mocy

Systemy zarządzania energią

Monitorowanie sprzętu przemysłowego

Systemy energii odnawialnej


1. Materiały premium

Rdzenie wysokiej jakości: precyzyjnie laminowana stal krzemowa lub rdzenie nanokrystaliczne dla minimalnych strat i wysokiej liniowości.  

Solidna izolacja: projekty żywicy epoksydowej zapewniają długoterminową stabilność w trudnych środowiskach.  


2. Najwyższa wydajność

Dokładność: klasa 0.2/0,5 dla pomiaru, 5p/10p do ochrony, zgodna ze standardami IEC 61869, 60044, IEEE i ANSI.  

Szeroki zakres: Obsługuje systemy 0,6KV-36KV, o niestandardowych współczynnikach/częstotliwości (50/60 Hz).  

Niski wzrost termiczny: zoptymalizowana konstrukcja zmniejsza przegrzanie, przedłużając żywotność.  

Odporność na EMC: tarcze przeciwko zakłóceniu elektromagnetycznym dla niezawodnych sygnałów.  


3. Obsługa i wsparcie

Rozwiązania niestandardowe: Dostosowane wskaźniki, rozmiary lub złącza (np. DIN Rail, IEC Terminale).  

Globalne certyfikaty: IEC, CE, ISO i lokalne zatwierdzenia sieci.  

Pomoc techniczna na całe życie: wsparcie 24/7, wytyczne instalacyjne i dostawa części zamiennych.  

Szybka dostawa: standardowe produkty w ciągu 2-4 tygodni; Przyspieszone opcje pilnych potrzeb.  


Główne parametry techniczne

Znamionowe podstawowe
bieżący (a)
Dokładność
zajęcia
połączenie
Znamionowe wyjście wtórne (VA) 1S Prąd termiczny (KA) Znamionowy prąd dynamiczny (KA)
0,2 (s) 0.2 0.5 10p10
5-40 0,2/10p10
0,5/10p10
/ 10 10 15 90lin 220lin
5-40 100lin 250lin
5-40 20 50
5-40
5-40 36 90
10
5-40 45 100
5-40 56 100
5-40
5-40 80 110
5-40 100 110




Gorące Tagi: BH-0,66-50 Prądowe transformatory
Wyślij zapytanie
Informacje kontaktowe
Jeśli masz jakieś zapytanie na temat cytatu lub współpracy, prosimy o e -mail na adres river@dahuelec.com lub skorzystaj z następującego formularza zapytania. Nasz przedstawiciel handlowy skontaktuje się z Tobą w ciągu 24 godzin. Dziękujemy za zainteresowanie naszymi produktami.
X
We use cookies to offer you a better browsing experience, analyze site traffic and personalize content. By using this site, you agree to our use of cookies. Privacy Policy
Reject Accept