Zhejiang Sehnaider Electric Co., Ltd.
Zhejiang Sehnaider Electric Co., Ltd.
Produkty
BH-0,66-60 Prądowe transformatory
  • BH-0,66-60 Prądowe transformatoryBH-0,66-60 Prądowe transformatory

BH-0,66-60 Prądowe transformatory

BH -0,66-60 Prądowe transformatory przyjmuje materiał PC - materiał opóźniający, a materiał przewodzący magnetycznym jest wyżarzonym rdzeniem toroidalnym, aby zapewnić dokładność produktu na poziomach 0,2 i 0,5. W przypadku ultra -wysokiej dokładności poziomów, takich jak 0,2 i 0,5S, tylko magnesy nadprzewodzące mogą spełniać takie wymagania dokładności.

BH-0,66-60 Transformatory prądowe mają zastosowanie do systemów zasilania o częstotliwości znamionowej 50 Hz i napięciu znamionowym 0,66 kV, 0,69 kV, 0,5 kV i poniżej do pomiaru energii elektrycznej, pomiaru prądu i ochrony przekaźnika.


Ten obecny transformator Dahu jest przeznaczony do użytku wewnętrznego, zainstalowany w szafkach i pudełkach dystrybucyjnych. Zawiera nowatorski projekt obwodu magnetycznego, zaawansowane metody kompensacji, wykwintne techniki przetwarzania, bezpieczną i niezawodną wydajność oraz mały i piękny wygląd.


Zewnętrzna skorupa jest wykonana z płomienia o wysokiej wytrzymałości - opóźniający komputer z w pełni zamkniętą strukturą i płomieniem - opóźniającym oceną V1. Wewnętrzny rdzeń jest wykonany z wysokiej jakości krzemowych arkuszy stalowych zorientowanych na ziarno. Średnica drutu jest ściśle wybierana zgodnie z gęstością prądu ekonomicznego, aby zapewnić mniejszy wzrost temperatury. Dzięki zaawansowanym i niezawodnym sprzętowi testowym zapewnia zgodność ze standardami jakości.


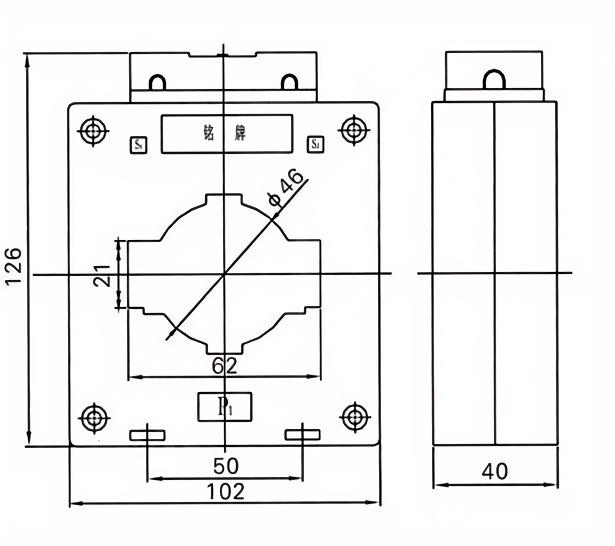
Ma kwadratowe i okrągłe typy otworów, odpowiednie dla pojedynczej lub wielokrotnego penetracji kabla korzeniowego lub penetracji szyny z korzeniem. Ma kompletną serię produktów, szeroką gamę specyfikacji i szeroki zakres aplikacji.


Zastosowania

Monitorowanie energii i pomiar

Ochrona obwodu i koordynacja przekaźników

Automatyzacja przemysłowa i inteligentne systemy sieci

Specyfikacje techniczne

Napięcie znamionowe: 0,66 kV

Częstotliwość: 50/60 Hz

Klasa dokładności: 0,5, 1.0 (dostosowywana)

Poziom izolacji: 3KV/min


Główne parametry techniczne

Znamionowe podstawowe
bieżący (a)
Dokładność
zajęcia
połączenie
Znamionowe wyjście wtórne (VA) 1S Prąd termiczny (KA) Znamionowy prąd dynamiczny (KA)
0,2 (s) 0.2 0.5 10p10
5-40 0,2/10p10
0,5/10p10
/ 10 10 15 90lin 220lin
5-40 100lin 250lin
5-40 20 50
5-40
5-40 36 90
10
5-40 45 100
5-40 56 100
5-40
5-40 80 110
5-40 100 110


Gorące Tagi: BH-0,66-60 Prądowe transformatory
Wyślij zapytanie
Informacje kontaktowe
Jeśli masz jakieś zapytanie na temat cytatu lub współpracy, prosimy o e -mail na adres river@dahuelec.com lub skorzystaj z następującego formularza zapytania. Nasz przedstawiciel handlowy skontaktuje się z Tobą w ciągu 24 godzin. Dziękujemy za zainteresowanie naszymi produktami.
X
We use cookies to offer you a better browsing experience, analyze site traffic and personalize content. By using this site, you agree to our use of cookies. Privacy Policy
Reject Accept