Klasa o wysokiej dokładności 0.5 - zapewnia precyzyjny prądowy pomiar dla zastosowań w pomiarach i monitorowaniu.
Szeroki zakres pomiaru - obsługuje wiele współczynników prądu, aby pomieścić różne warunki obciążenia.
Kompaktowa i lekka konstrukcja - łatwa w instalacji w ciasnych przestrzeniach bez uszczerbku dla wydajności.
Doskonała stabilność termiczna - zapewnia stabilne działanie nawet w zmiennych temperaturach.
Silna izolacja i bezpieczeństwo - zgodne z standardami bezpieczeństwa w branży, oferując niezawodną ochronę przed uskokami elektrycznymi.
Wszechstronne zastosowania - idealne do użytku w panelach dystrybucji energii, automatyzacji przemysłowej i systemach energii odnawialnej.
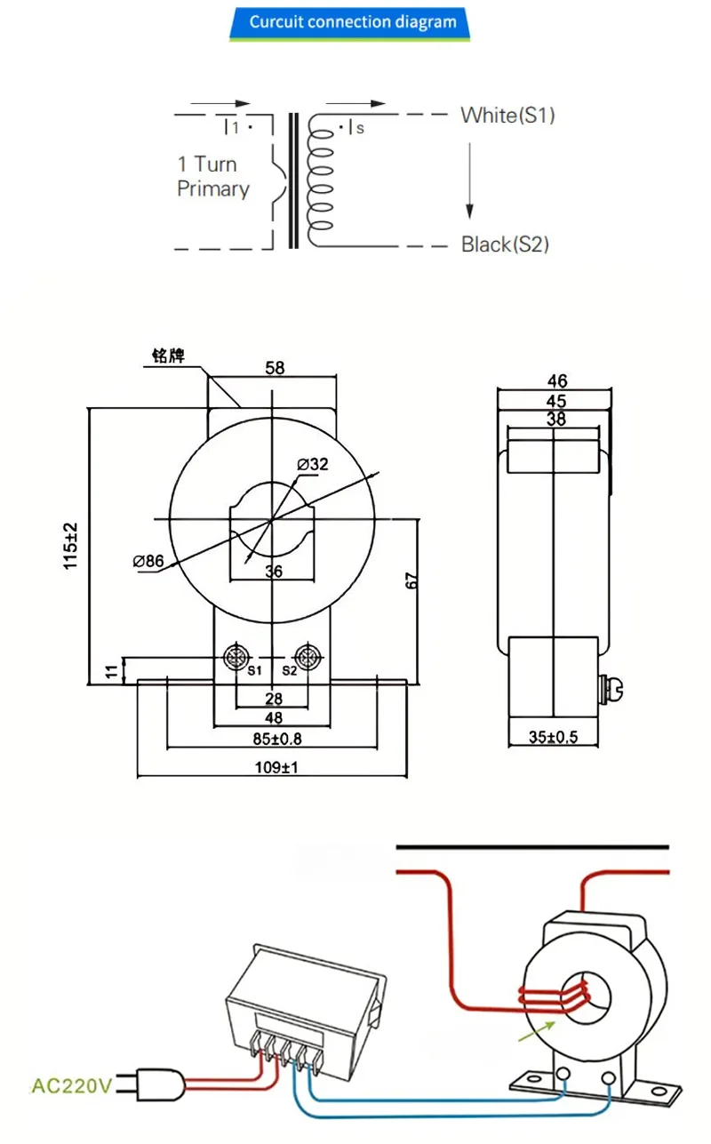
Znamionowy prąd podstawowy: konfigurowalny (np. 5a ~ 2000a)
Znamionowy prąd wtórny: 5a lub 1a (standard)
Klasa dokładności: 0,5
Częstotliwość: 50 Hz/60 Hz
Poziom izolacji: do 3KV
Temperatura robocza: -25 ° C do +70 ° C
Pomiar i monitorowanie energii
Przekaźniki i wyłączniki ochronne
Przemysłowe i komercyjne systemy elektryczne
Instalacje energii słonecznej i wiatrowej

Adres
Xiangyang Industrial Zone, Yueqing, Zhejiang, Chiny
Tel